使用荷重=15~450kgf
■概况
S型主球直径=φ3/16~3"(4.76~76.2mm)
向一定方向移动的万向球。
此产品适合于不需要360度自由旋转,或者是一定程度上想控制方向时使用。
■特点
此产品适合于不需要360 度自由旋转,或者是一定程度上想控制方向时使用。不仅摩擦系数小、而且可长时间做冲程运动。主要用于设备的输送、活塞运动的冲程及搬运台车
基本系列可压低整体高度。也可设计制作尼龙球、陶瓷球、防尘型、附润滑脂注入接头、硬镀铬等标准规格以外的产品。

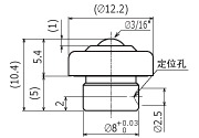
主球直径:φ3/16" (4.76mm)
自重:0.005 kg (0.049 N)
使用荷重:15 kgf (147 N)

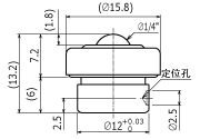
主球直径:φ1/4" (6.35mm)
自重:0.01 kg (0.098 N)
使用荷重:20 kgf (196 N)

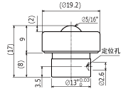
主球直径:φ5/16" (7.94mm)
自重:0.02 kg (0.196 N)
使用荷重:30 kgf (294 N)

本体:SCM415
主球:SUJ2
小球:SUJ2

本体:SCM415
主球:SUJ2
小球:SUJ2

本体:SCM415
主球:SUJ2
小球:SUJ2
