使用荷重=60~900kgf
■概况
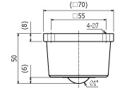
IK型主球直径=φ3/4~5"(19.05~127mm)
向下专用万向球基本系列。
主要用于替代台车的小脚轮,可360度自由移动。
■特点
直角(90度)转换自如,360度全方位也可移动,其性能非常优良。比如,1000kg的重物,只需15kg的力量就可移动。主要用于,搬送重物、方向转换、替代台车的小脚轮、防振要求较高的环境等。
也可设计制作尼龙球、陶瓷球、防尘型、附润滑脂注入接头、硬镀铬等标准规格以外的产品。
■注意事项
使用4个「IK-51」、荷重1000kgf、相对面的硬度为HRC55°时,摩擦抵抗力约为15kgf。
如果相对面的材质为SS材时,其摩擦抵抗力约为上记摩擦抵抗力的2倍左右。
主球硬度为HRC62°,使用时请考虑相对面的硬度。硬度的高低会左右摩擦抵抗力的大小。

本体:FC250
主球:SUJ2
小球:SUJ2
封盖:S45C

主球直径:φ1" (25.4mm)
自重:0.9 kg (8.82 N)
使用荷重:120 kgf (1180 N)

本体:FC250
主球:SUJ2
小球:SUJ2
封盖:S45C

主球直径:φ3/4" (19.05mm)
自重:0.37 kg (3.63 N)
使用荷重:60 kgf (588 N)

本体:FC250
主球:SUJ2
小球:SUJ2
封盖:S45C

主球直径:φ7/8" (22.23mm)
自重:0.5 kg (4.9 N)
使用荷重:90 kgf (822 N)
