承重3t,φ600~1500mm的小型旋转台。
应对现场的需要,推出了从600mm到1500mm的外形尺寸和不同转速的5种类的基本版本。
每面积的承载负荷为No.1。用户可任意的安装所需尺寸的旋转台。



操作控制盘
简单并容易操作的操作控制盘(正转?逆转?停止的3个按键仕样。)
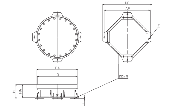
固定台
施工性良好,可调整高度,也可以设置在无法实现水平位置的地方(有附带的固定台)。
手动式的旋转台,各系列的最大承载荷重和外形尺寸是同一仕样。
※配置有可能变更,请谅解。
| 型号 | 马达 出力 | 旋转数 | 最大 承载 荷重 | D | DA | H | HA | DB | AP | Z | T | 电源 | 本体 重量 |
| ISB-S-06 | 0.2kw 1/120 | 0.5rpm~ 3.5rpm | 3000 kg | φ600 | φ612 | 220 | 196 | □740 | 690 | 4-φ18 | 12 | 3P AC200V~ 220V 50/60Hz | 175 kg |
| ISB-S-06-H | 0.4kw 1/60 | 1rpm~ 7rpm | 176 kg | ||||||||||
| ISB-S-09 | 0.4kw 1/120 | 0.5rpm~ 3.5rpm | 3500 kg | φ900 | φ918 | 300 | 274 | □1040 | 990 | 4-φ18 | 12 | 420 kg | |
| ISB-S-09-H | 0.75kw 1/60 | 1rpm~ 7rpm | 425
| ||||||||||
| ISB-S-15 | 0.75kw 1/120 | 0.5rpm~ 3.5rpm | 3500 kg | φ1500 | φ1532 | 300 | - | □1660 | 1610 | 4-φ18 | 12 | 880 kg |

